SAG SAFETY LOCK & STRIKE-PLATE RC2

Exterior And Functional Doors

EXTERIOR AND FUNCTIONAL DOORS

Wide range for high resistance classes

A wide range of products are available in the field of security locks and strike-plates. Whether for use in burglar-resistant elements according to DIN EN 1627 RC 1 or for outer doors with increased user frequency, SAG offers mortise locks, for example, with a special faceplate length of 280 mm. The lock versions with a double cuff are mainly suitable for doors of resistance class RC 2 and are optionally available with whisper comfort sound insulation. The range of safety strike-plates includes system widths of 20 and 28 mm, as well as lengths of 170 and 200 mm with different mounting plate designs for different resistance classes. SAG also offers special strike-plates for the secondary locks of multi-point locks and an extensive range of accessories.

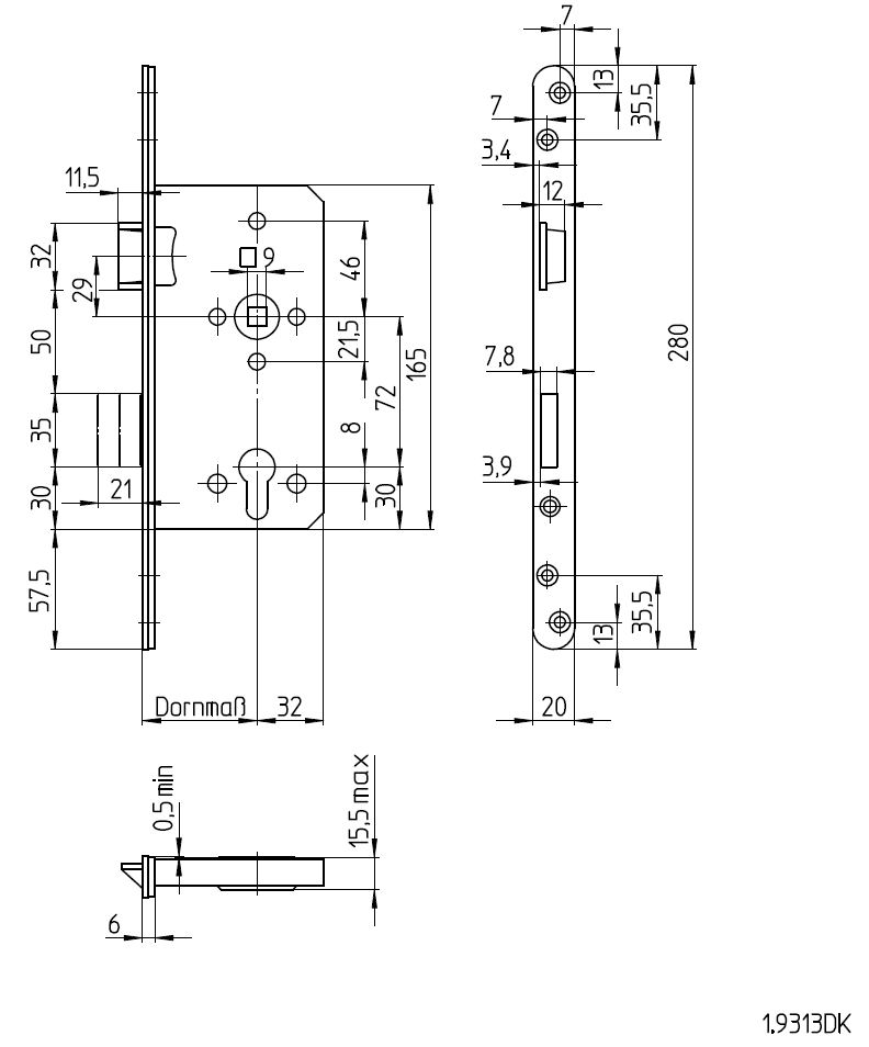
SAG Security lock with fire safety design # 1 9313DK
SAG Security lock in fire safety design, fitted with whisper comfort sound insulation as standard, in accordance with DIN 18250, class 5 for use in burglar-resistant doors in accordance with DIN EN 1627-1630, RC2, PZW, 72 mm distance, 65 mm (55 / 80 mm) backset, 9mm clamping nut, stored in drawn casings, 20 x 6 x 280 mm rounded double cuff Niro matte.


Brochure on SAG fire safety with Comfort - German

Technical drawing #1 9313DK

Catalogue page 2.42 – 2.43

SAG Security strike plate with mounting plate#1 SB9411.H
SAG Security strike plate for wooden frames for use in burglar-resistant elements in accordance with DIN  EN 1627–1630, RC 2, metal upper 28 mm width, 200 mm system length, 3mm material thickness, mounted with mounting plate 4mm thickness.

Technical drawing #1 SB9411.H

Catalogue page 2.78 – 2.79

GermAKS Distributor

/GermAKS SAG
/GermAKS Diecman
/GermAKS SAG
/GermAKS Diecman
/GermAKS SAG
/GermAKS Diecman
/GermAKS SAG
/GermAKS Diecman