SAG FIRE SAFETY WITH COMFORT

Exterior And Functional Doors

EXTERIOR AND FUNCTIONAL DOORS

Safety in case of fire

The current range of SAG lock components for use in fire doors meet the highest requirements for functionality, standard convenience features and differentiated security aspects, e.g. for multifunctional elements. These types of locks are monitored externally by the MPA NRW and are certified construction products.

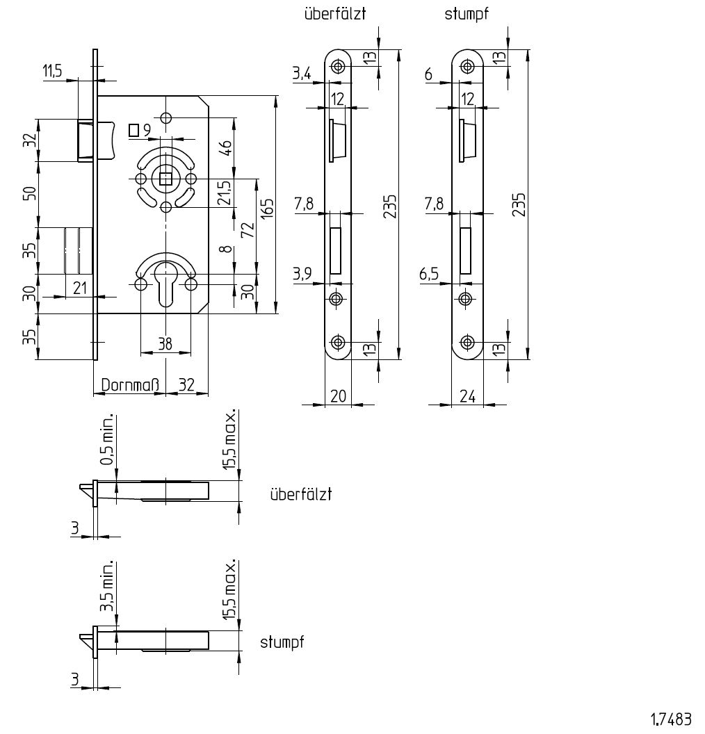
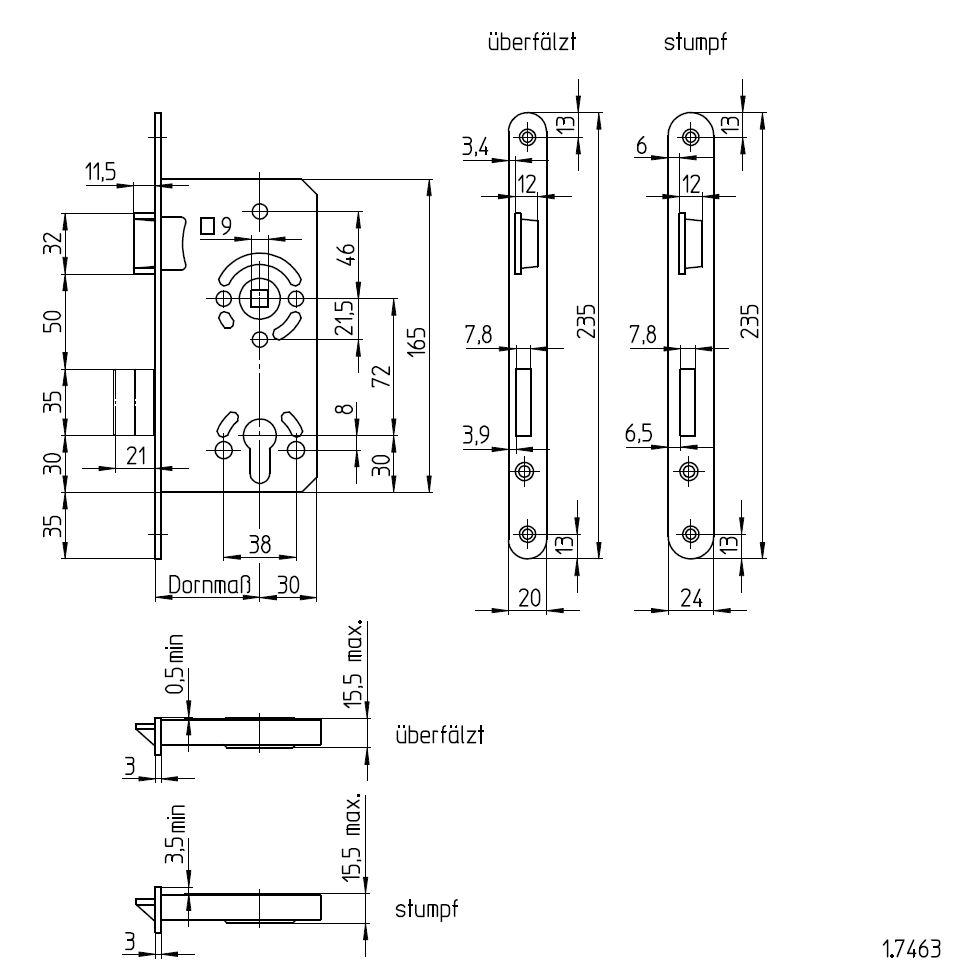
SAG Mortise locks with fire safety design # 1 7463WK / # 1 7483WK
SAG mortise lock for fire doors in accordance with DIN 18250, class 3 /class 4 as standard with whisper-comfort sound insulation, PZW, 72 mm distance, 65 mm (55 / 60 / 80 mm) backset, 9mm nut / clamping nut, stored in drawn casings,

Brochure on SAG fire safety with Comfort - German

Technical drawing # 1 7463WK / # 1 7483WK

Catalogue page 2.46 – 2.49

Test certificate

GermAKS Distributor

/GermAKS SAG
/GermAKS Diecman
/GermAKS SAG
/GermAKS Diecman
/GermAKS SAG
/GermAKS Diecman
/GermAKS SAG
/GermAKS Diecman