SAG Mortise locks for profile frame doors for repair and renovation needs are offered with a universal renovation cuff including oval long hole fastening, as well as an optional extra-long cuff with adjustable length and fixing holes.
SAG Falling deadbolt lock as a renovation lock for profile frame doors # 1 8409W0
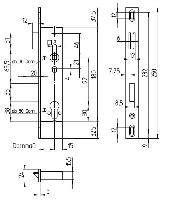
SAG Compact class renovation lock, specifically for repair and renovation; falling deadbolt lock for profile frame interior and front doors, permanent function and stress values in accordance with DIN 18251-2, class 5, PZW, 92mm distance; can be used on right and left thanks to rotating latch, backset 25-45mm, deadbolt 20mm 1 revolution long, bolt with 2 loosely inserted, hardened steel bolts as protection against sawing through; Niro flat cuff 24 x 3 x 250 mm universal renovation cuff incl. oval long hole mounting;
Technical drawing #1 8409W0
SAG strike-plate for profile frame doors #1 8435EA.ND
Technical drawing #1 8435EA.ND